دیزل ژنراتورها بهعنوان یکی از مهمترین منابع تأمین برق اضطراری و دائم، نیازمند نگهداری و سرویس منظم هستند تا عملکردی ایمن و پایدار داشته باشند. یکی از مراحل اساسی در سرویس و راهاندازی این دستگاهها، هواگیری دیزل ژنراتور است؛ فرآیندی که با حذف هوای محبوس شده در سیستم سوخت، از بروز مشکلاتی مانند سخت روشن شدن، افت توان و خاموشی ناگهانی جلوگیری میکند. آشنایی با اصول و روش صحیح هواگیری، نه تنها باعث افزایش راندمان و طول عمر دیزل ژنراتور میشود، بلکه از آسیبهای احتمالی به قطعات حساس موتور نیز پیشگیری میکند. در این مقاله به آموزش هواگیری دیزل ژنراتور بهصورت کاربردی و مرحله به مرحله میپردازیم.

هواگیری دیزل ژنراتور چیست و چرا اهمیت دارد
هواگیری دیزل ژنراتور به فرآیندی گفته میشود که در آن هوای واردشده به سیستم سوخترسانی موتور حذف میشود. وجود هوا در مسیر سوخت، مانع از رسیدن یکنواخت گازوئیل به انژکتورها شده و در نتیجه احتراق بهدرستی انجام نمیشود. این مشکل معمولاً پس از تعویض فیلتر سوخت، خالی شدن باک، انجام تعمیرات یا نشتی در اتصالات به وجود میآید و میتواند باعث دیر روشن شدن یا روشن نشدن دیزل ژنراتور شود. اهمیت هواگیری دیزل ژنراتور از آن جهت است که عملکرد صحیح موتور، توان خروجی پایدار و جلوگیری از آسیب به قطعات حساسی مانند پمپ انژکتور و انژکتورها را تضمین میکند. انجام به موقع و اصولی هواگیری، علاوهبر افزایش راندمان دستگاه، مصرف سوخت را بهینه کرده و از خاموشیهای ناگهانی و هزینههای تعمیرات سنگین جلوگیری میکند.
علائم وجود هوا در سیستم سوخت دیزل ژنراتور
وجود هوا در سیستم سوخت دیزل ژنراتور میتواند عملکرد دستگاه را با مشکلات جدی مواجه کند و در صورت بی توجهی، به قطعات حساس موتور آسیب برساند. در ادامه، مهمترین دلایل و شرایطی که منجر به ورود هوا به سیستم سوخت میشوند، بهصورت جداگانه توضیح داده شدهاند:
تعویض فیلترهای سوخت
تعویض فیلتر سوخت یکی از رایجترین زمانهایی است که هوا به سیستم سوخت دیزل ژنراتور وارد میشود. اگر در هنگام تعویض، فیلتر به درستی نصب نشود یا قبل از راه اندازی، عملیات هواگیری انجام نگیرد، هوای محبوس شده میتواند مانع رسیدن سوخت کافی به پمپ و انژکتورها شود. این وضعیت باعث سخت روشن شدن موتور، کاهش راندمان و در مواردی خاموش شدن ناگهانی دستگاه میشود؛ به همین دلیل پس از هر بار تعویض فیلتر، هواگیری کامل الزامی است.
بیشتر بخوانید: انواع فیلتر دیزل ژنراتور
کار بر روی سامانه سوخت
انجام هرگونه تعمیر، سرویس یا تغییر در اجزای سیستم سوخترسانی مانند شیلنگها، پمپ سوخت یا اتصالات، احتمال ورود هوا به مدار را افزایش میدهد. شل بودن اتصالات یا عدم آببندی مناسب پس از تعمیرات میتواند باعث مکش هوا به داخل سیستم شود. در چنین شرایطی، حتی اگر نشتی سوخت مشاهده نشود، وجود هوا میتواند عملکرد موتور را مختل کند؛ بنابراین پس از پایان کار روی سامانه سوخت، هواگیری دقیق و بررسی اتصالات اهمیت زیادی دارد.
باک سوخت رو به اتمام
پایین آمدن سطح سوخت در باک دیزل ژنراتور یکی دیگر از عوامل ورود هوا به سیستم سوخت محسوب میشود. زمانی که سوخت به حداقل میرسد، امکان کشیده شدن هوا همراه با سوخت به داخل لولهها و پمپ افزایش مییابد. این موضوع میتواند باعث ناپایداری دور موتور، کاهش توان خروجی و حتی خاموش شدن ناگهانی دیزل ژنراتور شود. به همین دلیل، کنترل منظم سطح سوخت و جلوگیری از خالی شدن باک، در کنار انجام هواگیری در صورت لزوم، نقش مهمی در عملکرد پایدار دستگاه دارد.
مراحل هواگیری ژنراتور دیزلی
در این بخش، فرآیند هواگیری دیزل ژنراتور را به شکل عملی و قابل اجرا توضیح میدهیم تا بتوانید بدون آسیب به دستگاه، هوای موجود در سیستم سوخت را بهطور کامل خارج کنید.
رعایت نکات ایمنی
قبل از شروع هواگیری، اطمینان حاصل کنید که دیزل ژنراتور کاملاً خاموش بوده و از مدار برق جدا شده است. اگر دستگاه اخیراً در حال کار بوده، حداقل چند دقیقه صبر کنید تا موتور و قطعات اطراف آن خنک شوند، زیرا کار روی موتور داغ میتواند خطرناک باشد. استفاده از دستکش ایمنی، لباس کار مناسب و ابزار سالم، احتمال بروز آسیبهای شخصی و فنی را به حداقل میرساند. همچنین بهتر است محیط اطراف ژنراتور دارای تهویه مناسب باشد تا از تجمع بخار سوخت جلوگیری شود.

بررسی باک سوخت و مسیر سوخترسانی
در این مرحله، ابتدا سطح سوخت داخل باک را بهدقت بررسی کنید. اگر میزان سوخت کم است یا باک خالی شده، حتماً از گازوئیل تمیز، استاندارد و عاری از آلودگی استفاده کرده و آن را تا سطح مناسب پر کنید. توصیه میشود در شرایط عادی، باک دیزل ژنراتور همیشه حداقل نیمهپر باشد، زیرا پایین آمدن بیش از حد سطح سوخت میتواند باعث مکش هوا به داخل سیستم شود. علاوه بر این، شیلنگها و مسیرهای سوخترسانی را از نظر نشتی، ترکخوردگی یا شل بودن اتصالات بررسی کنید تا در حین هواگیری، مشکل جدیدی ایجاد نشود.
بیشتر بخوانید: بهینه سازی مصرف سوخت دیزل ژنراتور
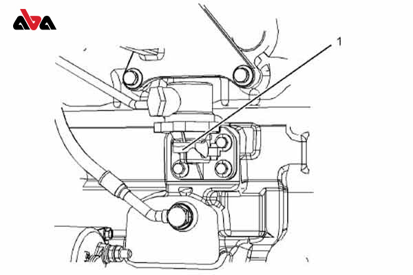
شناسایی پیچ یا شیر هواگیری
اکثر دیزل ژنراتورها دارای یک یا چند پیچ مخصوص هواگیری هستند که معمولاً روی فیلتر اولیه سوخت، فیلتر ثانویه یا پمپ سوخت قرار دارند. در این مرحله باید محل دقیق این پیچ را شناسایی کرده و با استفاده از آچار مناسب، آن را بهآرامی شل کنید. توجه داشته باشید که باز کردن بیش از حد پیچ میتواند باعث پاشش سوخت یا ورود آلودگی به سیستم شود؛ بنابراین باز کردن آن در حد خروج هوا و سوخت کافی است. بهتر است یک دستمال یا ظرف مناسب در زیر محل پیچ قرار دهید تا سوخت خارجشده جمعآوری شود.

استفاده از پمپ دستی یا فعالسازی پمپ سوخت
اگر دیزل ژنراتور شما مجهز به پمپ دستی است، با فشردن متوالی آن، سوخت را به داخل مدار هدایت کنید. در این حالت مشاهده خواهید کرد که ابتدا سوخت همراه با حبابهای هوا یا کف از پیچ هواگیری خارج میشود. این عمل را ادامه دهید تا زمانی که سوخت به صورت یکنواخت، پیوسته و بدون هیچ گونه حباب یا کف از محل پیچ خارج گردد. در برخی مدلها که پمپ دستی وجود ندارد، میتوان با ایجاد فشار مثبت در مسیر سوخت یا با کمک گرفتن از فردی دیگر برای چند بار استارت زدن کوتاه و کنترل شده، پمپ سوخت را فعال کرد. در این روش باید دقت زیادی داشت تا به استارت یا باتری دستگاه فشار بیش از حد وارد نشود.

بستن پیچ هواگیری و بررسی نشتیها
پس از اطمینان از خروج کامل هوا، پیچ هواگیری را بهآرامی و بهصورت محکم ببندید. سفت کردن بیش از حد میتواند به رزوهها آسیب بزند، در حالی که شل بودن آن باعث نشتی سوخت یا ورود مجدد هوا خواهد شد. پس از بستن پیچ، تمام اتصالات اطراف، فیلترها و شیلنگهای سوخت را بررسی کنید تا هیچ گونه نشتی مشاهده نشود. این مرحله از اهمیت بالایی برخوردار است، زیرا حتی نشتیهای جزئی نیز میتوانند در آینده باعث تکرار مشکل هواگرفتگی شوند.
تست و راهاندازی نهایی دستگاه
در مرحله پایانی، دیزل ژنراتور را روشن کرده و اجازه دهید چند دقیقه در حالت عادی و بدون بار سنگین کار کند. به صدای موتور، میزان لرزش، یکنواختی دور موتور و واکنش دستگاه توجه کنید. اگر موتور نرم، بدون لرزش غیرعادی و با صدایی یکنواخت کار میکند، نشاندهنده انجام موفقیتآمیز هواگیری است. در صورتی که هنوز علائمی مانند لرزش، افت دور یا خاموش شدن مشاهده شود، ممکن است نیاز به تکرار هواگیری یا بررسی دقیقتر سیستم سوخترسانی باشد.
اشتباهات رایج در هواگیری دیزل ژنراتور
هواگیری دیزل ژنراتور اگر بهدرستی انجام نشود، نهتنها مشکل را برطرف نمیکند بلکه میتواند باعث آسیب به سیستم سوخترسانی و کاهش عمر موتور شود. در ادامه به مهمترین اشتباهات رایج در هواگیری دیزل ژنراتور اشاره میکنیم:

عدم رعایت نکات ایمنی قبل از شروع کار
یکی از اشتباهات متداول، انجام هواگیری در حالی است که دستگاه روشن یا موتور هنوز داغ است. این کار خطراتی مانند سوختگی، نشت سوخت و آسیب به قطعات را به همراه دارد. خاموش بودن کامل دستگاه، خنک شدن موتور و استفاده از تجهیزات ایمنی از اصولی است که نباید نادیده گرفته شود.
هواگیری بدون بررسی سطح سوخت باک
برخی افراد بدون توجه به میزان سوخت داخل باک اقدام به هواگیری میکنند. اگر سطح سوخت پایین باشد، حتی پس از هواگیری نیز هوا دوباره وارد سیستم میشود و مشکل پابرجا میماند. پر بودن کافی باک با سوخت تمیز، پیشنیاز یک هواگیری موفق است.

باز کردن بیش از حد پیچ هواگیری
باز کردن کامل یا بیش از اندازه پیچ هواگیری میتواند باعث پاشش سوخت، ورود آلودگی به سیستم و حتی آسیب به رزوه پیچ شود. پیچ هواگیری باید تنها به اندازهای شل شود که هوا و سوخت بتوانند بهصورت کنترلشده خارج شوند.
بستن نادرست پیچ و اتصالات پس از هواگیری
شل بستن پیچ هواگیری یا اتصالات اطراف آن یکی از رایجترین دلایل بازگشت مشکل هواگرفتگی است. نشتیهای کوچک ممکن است در ابتدا دیده نشوند، اما بهمرور باعث ورود مجدد هوا به سیستم سوخت میشوند و عملکرد ژنراتور را مختل میکنند.
توقف زودهنگام فرآیند هواگیری
برخی افراد به محض خروج سوخت از پیچ هواگیری، فرآیند را متوقف میکنند، در حالی که هنوز حبابهای هوا در سیستم باقی ماندهاند. هواگیری باید تا زمانی ادامه یابد که سوخت بهصورت کاملاً یکنواخت و بدون کف یا حباب خارج شود.
استفاده نادرست از استارت برای هواگیری
در ژنراتورهایی که پمپ دستی ندارند، استفاده مکرر و طولانی از استارت برای هواگیری میتواند به باتری و استارتر آسیب برساند. استارت زدن باید کوتاه، کنترل شده و با فاصله زمانی مناسب انجام شود. استفاده نادرست از استارت برای هواگیری یکی از اشتباهات رایج هنگام هواگیری ژنراتور دیزلی است که باید حتما به این نکته توجه شود تا باعث ایجاد خسارت نشود.
بیتوجهی به بررسی نهایی عملکرد دستگاه
عدم تست نهایی پس از هواگیری یکی دیگر از اشتباهات رایج است. روشن کردن دستگاه و بررسی صدای موتور، لرزش و یکنواختی عملکرد، مرحلهای ضروری است که به اطمینان از موفقیت آمیز بودن هواگیری کمک میکند.
تاثیر هواگیری صحیح بر عملکرد دیزل ژنراتور
هواگیری صحیح دیزل ژنراتور نقش مهمی در بهبود عملکرد کلی دستگاه دارد، زیرا با حذف هوای محبوس شده در سیستم سوخترسانی، سوخت به صورت یکنواخت و با فشار مناسب به انژکتورها میرسد. این موضوع باعث احتراق کاملتر، روشن شدن سریعتر موتور و پایداری دور موتور در زمان کار میشود. در نتیجه، لرزشها و نوسانات غیرعادی کاهش یافته و توان خروجی دیزل ژنراتور در شرایط مختلف بار به شکل مطلوبتری تأمین میشود. از نظر افزایش طول عمر، هواگیری اصولی از وارد شدن فشار اضافی به قطعات حساسی مانند پمپ سوخت، انژکتورها و سیستم تزریق جلوگیری میکند. وجود هوا در سیستم میتواند باعث سایش زودهنگام، افزایش دمای قطعات و در نهایت خرابیهای پرهزینه شود. انجام منظم و صحیح هواگیری، علاوه بر کاهش مصرف سوخت و هزینههای تعمیر و نگهداری، به افزایش عمر مفید دیزل ژنراتور و حفظ عملکرد مطمئن آن در بلندمدت کمک شایانی میکند.
اگر دیزل ژنراتور شما دچار کاهش قدرت یا عدم روشن شدن شد، ممکن است سیستم سوخت به هوا نیاز داشته باشد. همچنین، پس از تعویض فیلتر سوخت یا انجام تعمیرات، باید هواگیری انجام شود.
برای جلوگیری از نشت سوخت، باید پیچها و اتصالات سیستم سوخت به دقت بررسی شوند و مطمئن شوید که هیچگونه خرابی یا فرسودگی در آنها وجود ندارد.
دیدگاه خود را با ما در میان بگذارید
امتیاز: